제품
2차전지 대응제품
토글클램프
COMPACT
STAINLESS
LOCK
VERTICAL
HORIZONTAL
PUSH / PULL
LATCH
HEAVY DUTY WELDABLE
PNEUMATIC
SPINDLE & WASHER
유압클램프
LOCATORS
AUTO COUPLERS
MULTI-LINK CLAMPS
HINGE CLAMPS
SWING CLAMPS
BLOCK CLAMPS
BUILT-IN CLAMPS
FLANGE CLAMPS
THREADED BODY CLAMPS
HOLLOW CLAMPS
ROCKER CLAMPS
EDGE CLAMPS
VISE CLAMPS
공압클램프
POWER CLAMP
BALL LOCK CLAMPS
LOCATORS
AUTO COUPLERS
MAGNETIC SENSOR CLAMPS
MULTI-LINK CLAMPS
HINGE CLAMPS
SWING CLAMPS
PNEUMATIC TOGGLE CLAMPS
로터리조인트
FLANGE TYPE
CARTRIDGE TYPE
COMPACT TYPE
TOP TYPE
MALE TYPE
DISTRIBUTORS VALVE
워크써포트
BUILT-IN
FLANGE
BRACKET
BLOCK
기타
BOOSTER
INTENSIFIER
SEQUENCE VALVE
FLOW CONTROL VALVE
DIRECTION VALVE
SWIVEL PAD
TUNGSTEN CARBIDE GRIPPER PAD
MOUNTING BASE
SPECIAL DESIGN
5축바이스
회사소개
인사말
연혁
경영이념
조직도
장비시설
인증서
오시는 길
국내
해외
한국치공구공업(주)
다운로드
카달로그
도면
기술자료
견적/주문
&
문의
견적 / 주문
연락처
Q&A
NEWS
ENG
제품
회사소개
다운로드
고객문의
&
NEWS
토글클램프
유압클램프
공압클램프
로터리조인트
워크써포트
기타
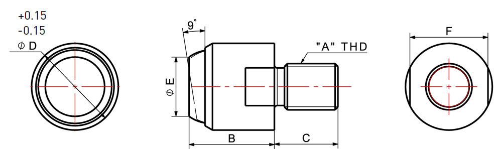
Bolt Type
Swivel Pads
YOU CAN COUNT ON OUR EXPERTISE
Bolt Type-Flat Pad
MODEL NO.
DIMENSIONS (mm)
Download
주문
A
B
C
øD
E
F
Max Load Capacity
Type
Weight(g)
2D
3D
PDF
SPF-0600
M6x1.0P
13
8
13
7.7
11
0.8ton
Flat
13
SPF-0800
M8x1.25P
12.5
8
14
7.7
11
0.8ton
Flat
15
SPF-0800-A
M8x1.25P
20.5
10
20
10.3
17
0.8ton
Flat
46
SPF-0815
M8x1.25P
12.5
15
14
7.7
11
0.8ton
Flat
18
SPF-0825
M8x1.25P
12.5
25
14
7.7
11
0.8ton
Flat
25
SPF-1000
M10x1.5P
20.5
10
20
10.3
17
2.1ton
Flat
48
SPF-1015
M10x1.5P
20.5
15
20
10.3
17
2.1ton
Flat
51
SPF-1030
M10x1.5P
20.5
30
20
10.3
17
2.1ton
Flat
62
SPF-1200
M12x1.75P
20.5
12
20
10.3
17
2.1ton
Flat
39
SPF-1235
M12x1.75P
20.5
35
20
10.3
17
2.1ton
Flat
73
SPF-1600
M16x2.0P
29.5
16
30
20.5
27
7.9ton
Flat
167
SPF-1640
M16x2.0P
29.5
40
30
20.5
27
7.9ton
Flat
216
Bolt Type-Diamond Pad
MODEL NO.
DIMENSIONS (mm)
Download
주문
A
B
C
øD
E
F
Max Load Capacity
Type
Weight(g)
2D
3D
PDF
SPD-0600
M6x1.0P
13
8
13
7.7
11
0.8ton
Diamond
13
SPD-0800
M8x1.25P
12.5
8
14
7.7
11
0.8ton
Diamond
15
SPD-0800-A
M8x1.25P
20.5
10
20
10.3
17
0.8ton
Diamond
46
SPD-0815
M8x1.25P
12.5
15
14
7.7
11
0.8ton
Diamond
18
SPD-0825
M8x1.25P
12.5
25
14
7.7
11
0.8ton
Diamond
25
SPD-1000
M10x1.5P
20.5
10
20
10.3
17
2.1ton
Diamond
48
SPD-1015
M10x1.5P
20.5
15
20
10.3
17
2.1ton
Diamond
51
SPD-1030
M10x1.5P
20.5
30
20
10.3
17
2.1ton
Diamond
62
SPD-1200
M12x1.75P
20.5
12
20
10.3
17
2.1ton
Diamond
39
SPD-1235
M12x1.75P
20.5
35
20
10.3
17
2.1ton
Diamond
73
SPD-1600
M16x2.0P
29.5
16
30
20.5
27
7.9ton
Diamond
167
SPD-1640
M16x2.0P
29.5
40
30
20.5
27
7.9ton
Diamond
216
TOP